O.S.SPEED B2104 Off-Road Motor - OS1DA00 | O.S.Engine | Rynos.se
Fraktfritt: Över 1300kr | Snabb leverans: 1-3 dagar

Din sida
O.S. SPEED B2104 Off-Road Motor i gruppen RADIOSTYRD BIL / Tillbehör / Bränslemotorer / Motorer (bränsle bil) hos Rynosx4 Hobbyshop AB (OS1DA00)
O.S.Engine

O.S. SPEED B2104 Off-Road Motor

Artnr: OS1DA00
4895 kr
 

O.S.SPEED B2104 Off-Road Racingmotor

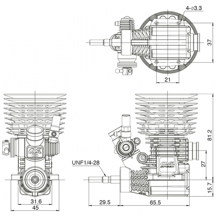
O.S.SPEED's off-road racing engine has evolved further. The 4th generation of the B21 series, the "B2104" has improved low-speed response as a result of securing the power to gain an advantage in harsh off-road racing scenes and pursuing a driving feel that steadily demonstrates performance in any situation. Achieves smooth and torqueful performance at medium and low speeds. This has evolved into an off-road engine that perfectly synchronizes with the movement of the fingertips from idling to the highest rpm range. Condensing the know-how of OS SPEED on the whole body, we will continue to make the legend of the off-road racing scene again. It is a long-stroke engine, bore x stroke is 16.27 x 16.80mm. It has quicker response in low range and more torque in middle range with consistent idling.

New Piston/Liner Set
The new piston/liner is conventional 3-port type enabling more torque over the power range.

New DLC Coated Crankshaft
The new crankshaft has DLC coating as we always do for OS SPEED engines. The two tungsten counterweights are embedded in the crankshaft contributing consistent idling and quick rpm down according to throttle move.

New Case Cover Plate
The thrust plate with surface treatment embedded in the cover plate reduces friction against a connecting rod to extend its life.

Optimized Flow
The boost port and the exhaust port of the crankcase are redesigned for optimum air flow.

Proven Carb
The carburetor is trustable 22E type, which we have been using for B2103 Type R.

Cooling Head
The cooling head is conventional round-shape type with standard height.

Specs:
  • Displacement: 3.49cc
  • Bore: 16.27mm
  • Stroke: 16.80mm
  • Output: 2.64 hp @ 34.000r.p.m.
  • Practical rpm range: 4.000-42.000
  • Weight: 352g

Standard accessories:
  • Glow plug T-P3
  • Reducer Venturi: 6 & 6.5mm
  • Exhaust seal ring
  • Dust cap set: 3, 16 & 18mm
Visa mer
Visa mindre

Egenskaper

Datum produkten utgick ur sortimentet: 2024-04-23
Ursprungsland: JP

Passar till

Filer

Filnamn Språk Publicerad
OS1DA00_SPEED_B2104_Parts EN 2021-11-22
OS1DA00_SPEED_B2104_Manual EN 2021-11-22

Tillbehör

Avgaspackning O.S.SPEED 21 (10)
Lev.artnr:
22826145
285 kr
Köp
Info
Insexnyckel 1.5mm O.S.SPEED
Lev.artnr:
71410150
318 kr
Köp
Info
Insexnyckel 2.0mm O.S.SPEED
Lev.artnr:
71410200
318 kr
Köp
Info
Insexnyckel 2.5mm O.S.SPEED
Lev.artnr:
71410250
318 kr
Köp
Info
Insexnyckel 3.0mm O.S.SPEED
Lev.artnr:
71410300
318 kr
Köp
Info
Insexnyckel Kula 2.0mm O.S.SPEED
Lev.artnr:
71411200
318 kr
Köp
Info
Insexnyckel Kula 2.5mm O.S.SPEED
Lev.artnr:
71411250
318 kr
Köp
Info
Spårmejsel 3mm O.S.SPEED
Lev.artnr:
71412300
318 kr
Köp
Info
Hylsnyckel 5.5mm O.S.SPEED
Lev.artnr:
71413550
378 kr
Köp
Info
Hylsnyckel 6.0mm O.S.SPEED
Lev.artnr:
71413600
378 kr
Köp
Info
Hylsnyckel 7.0mm O.S.SPEED
Lev.artnr:
71413700
398 kr
Köp
Info
Svänghjulsavdragare O.S.SPEED
Lev.artnr:
71415100
478 kr
Köp
Info
Svänghjulsverktyg O.S.SPEED
Lev.artnr:
71415200
318 kr
Köp
Info
Kopplingsverktyg O.S.SPEED
Lev.artnr:
71415300
378 kr
Köp
Info
Håltagare för Kaross O.S.SPEED
Lev.artnr:
71415400
748 kr
Köp
Info
Stjärnmejsel Phillips 4.0x120mm O.S.SPEED
269 kr
Köp
Info
Stjärnmejsel Phillips 5.8x120mm O.S.SPEED
269 kr
Köp
Info
Glödstiftsnyckel O.S.SPEED
Lev.artnr:
71520100
318 kr
Köp
Info
O.S. Tryckkammare Set
Lev.artnr:
71550000
245 kr
Köp
Info
Kullager Koppling (1050ZZ) (4) O.S.SPEED
179 kr
Köp
Info
Kullager Koppling (1050ZZ) (10) O.S.SPEED
348 kr
Köp
Info
O.S. Koppling Off-Road 4-delad O.S.SPEED
1249 kr
Köp
Info
Kopplingskloss (B) Standard (Gul) (4) O.S.SPEED
448 kr
Köp
Info
Kopplingskloss (B) Hård (Svart) (4) O.S.SPEED
448 kr
Köp
Info
Silikonslang 2.5mm 1m O.S.Speed
Lev.artnr:
72506100
139 kr
Köp
Info

Delar

  • Motorer (48)
    O.S. Kolvbult 21XZ-R, 21XR-B Ver.3
    99 kr
    Köp
    Info
    O.S. Bränsleintag 21M (21XZ-R)
    Lev.artnr:
    22082940
    139 kr
    Köp
    Info
    O.S. Nippel Universal No.15
    Lev.artnr:
    22082950
    99 kr
    Köp
    Info
    O.S.SPEED Vevstake B2101, 21ZX-B
    Lev.artnr:
    22425003
    498 kr
    Köp
    Info
    O.S. O-ring (S) 10D, 10F, 1H-3H, 20E, 40B, 40J
    66 kr
    Köp
    Info
    O.S. Tomgångsskruv 21J
    Lev.artnr:
    22848160
    99 kr
    Köp
    Info
    O.S. Förgasarslid 21J
    Lev.artnr:
    22848210
    285 kr
    Köp
    Info
    O.S. Dammskydd Set (3/16/18mm) 21B, 20K, 20L
    79 kr
    Köp
    Info
    Dammskydd Set O.S.SPEED (3/16/18mm)
    99 kr
    Köp
    Info
    O.S. Packning Baklock 21XZ, 30VG, 35AX
    99 kr
    Köp
    Info
    O.S. Kullager Bakre Keramiskt Speed 21V-Spec
    1095 kr
    Köp
    Info
    O.S. Kullager Främre 21XZ-B, 21XR-B V3
    245 kr
    Köp
    Info
    O.S. Spraybar 20K, 21J
    Lev.artnr:
    23781600
    169 kr
    Köp
    Info
    O.S. Bränslenål 21C, 21J
    Lev.artnr:
    23818340
    155 kr
    Köp
    Info
    O.S. Förgasarlås 21E/H/J
    Lev.artnr:
    23981740
    129 kr
    Köp
    Info
    O.S. O-Ring (7B, 20G)
    Lev.artnr:
    24881824
    66 kr
    Köp
    Info
    O.S. Stoppskruv M3x3mm
    Lev.artnr:
    26381501
    66 kr
    Köp
    Info
    O.S. O-Ring (S-3)
    Lev.artnr:
    27881820
    66 kr
    Köp
    Info
    O.S. Förgasar O-Ring 20E, 7D, 60F, 60MC, 70D
    66 kr
    Köp
    Info
    O.S. Shims 0.1/0.15mm R2101
    Lev.artnr:
    2A004160
    99 kr
    Köp
    Info
    O.S. Förgasarisolator 21J3
    Lev.artnr:
    2AN81101
    155 kr
    O.S. Kolvbultklips SPEED 21XR-B V3 (6)
    99 kr
    Köp
    Info
    O.S. Kullink No.6 (Förgasararm)
    Lev.artnr:
    2BN81430
    139 kr
    Köp
    Info
    O.S. Dammskydd Förgasare 22D
    Lev.artnr:
    2BN81520
    99 kr
    Köp
    Info
    O.S. Förgasare Komplett 22E(B) utan Insats
    1549 kr
    Köp
    Info
    O.S. Förgasarhus 22E(B)
    Lev.artnr:
    2BP81100
    898 kr
    Köp
    Info
    O.S. Vevhus SPEED B2104
    Lev.artnr:
    2DA01000
    1395 kr
    O.S. Vevaxel SPEED B2104
    Lev.artnr:
    2DA02000
    1895 kr
    Köp
    Info
    O.S. Kolv & Foder SPEED B2104
    Lev.artnr:
    2DA03000
    1795 kr
    Köp
    Info
    O.S. Kolv, Foder & Vevstake SPEED B2104
    2295 kr
    Köp
    Info
    O.S. Kyltopp SPEED B2104
    Lev.artnr:
    2DA04000
    1095 kr
    Köp
    Info
    O.S. Förbränningsrum med O-ring SPEED B2104
    578 kr
    Köp
    Info
    O.S. O-Ring Förbränningsrum SPEED B2104
    115 kr
    Köp
    Info
    O.S. Vevhuslock SPEED B2104
    Lev.artnr:
    2DA07000
    285 kr
    Köp
    Info
    O.S. Tryckplatta SPEED B2104
    Lev.artnr:
    2DA07010
    129 kr
    Köp
    Info
    O.S. O-Ring P-3
    Lev.artnr:
    46066319
    66 kr
    Utbytesdelar Förgasare 21 O.S.SPEED
    169 kr
    Köp
    Info
    O.S. Förgasarinsats Alu 8.5mm (Röd)
    169 kr
    Köp
    Info
    Förgasarinsats 6mm (Röd) O.S.SPEED 21
    169 kr
    Köp
    Info
    O.S. Förgasarinsats 6mm (Röd) II
    169 kr
    Köp
    Info
    Förgasarinsats 6.5mm (Röd) O.S.SPEED 21
    169 kr
    Köp
    Info
    O.S. Förgasarinsats Alu 7mm (Röd)
    169 kr
    Köp
    Info
    O.S. Förgasarinsats Alu 8mm (Röd)
    169 kr
    Köp
    Info
    O.S. Förgasarinsats Alu 9mm (Röd)
    169 kr
    O.S. Förgasarinsats 6.5mm (Röd) II
    169 kr
    Köp
    Info
  • Avgassystem (11)
    O.S. Avgaspackning 21VG/RG/RZ/VZ, 30VG
    129 kr
    Köp
    Info
    O.S. Avgasfjäder (2) 21VZ-B
    Lev.artnr:
    72101272
    115 kr
    Köp
    Info
    O.S. Fjäder Avgassystem T-2040 (3)
    129 kr
    Köp
    Info
    Avgassystem Komplett T-2060SC WN
    Lev.artnr:
    72106135
    1895 kr
    Köp
    Info
    O.S. Avgassystem Komplett T-2090SC EFRA2089
    1895 kr
    Köp
    Info
    O.S. Avgaskrök Set MB01-75 (M2000SC)
    588 kr
    Köp
    Info
    O.S. Avgaskrök Set MR01-85 (M2004SC)
    588 kr
    Köp
    Info
    O.S. Avgaskrök Set MR01-90 (M2005SC)
    588 kr
    Köp
    Info
    O.S. Avgassystem Komplett T-2100SC
    1895 kr
    Köp
    Info
    O.S. Avgaspipa T-2100SC
    Lev.artnr:
    72107710
    1549 kr
    Köp
    Info
  • Verktyg (1)
    Kolvbult Klips Tång O.S.SPEED
    Lev.artnr:
    71492000
    798 kr
    Köp
    Info
  • Startutrustning & Bränsle (5)
    O.S. Glödstift Turbo P3
    Lev.artnr:
    71641300
    125 kr
    Köp
    Info
    O.S. Glödstift Turbo P4
    Lev.artnr:
    71641400
    125 kr
    Köp
    Info
    O.S. Glödstift Turbo P5
    Lev.artnr:
    71641500
    139 kr
    Köp
    Info
    O.S. Glödstift Turbo Speed P3
    Lev.artnr:
    71642720
    139 kr
    Köp
    Info
    O.S. Glödstift Turbo Speed P4
    Lev.artnr:
    71642730
    139 kr
    Köp
    Info
  • Övriga Tillbehör (2)
    O.S. Luftfilter 204 (.21 Buggy)
    Lev.artnr:
    72415000
    205 kr
    Köp
    Info
    O.S. Lösa Filter för Luftfilter 204 (4)
    155 kr
    Köp
    Info
  • Skruvar & Muttrar (3)
    O.S. Insexskruv M2.6x7mm (10)
    Lev.artnr:
    79871020
    109 kr
    Köp
    Info
    O.S. Insexskruv M2.6x18mm (10)
    Lev.artnr:
    79871055
    109 kr
    Köp
    Info
    O.S. Insexskruv M3x18mm (10)
    Lev.artnr:
    79871180
    109 kr
    Köp
    Info

Recensioner

Tillverkare

Registrerad kontaktinformation för tillverkaren av produkten.

Namn OS Engines MFG.Co.Ltd
Adress 6-15, 3-Chome Imagawa
Higashisumiyoshi-ku
546-0003 / Osaka
Land Japan
Telefon 0081-6-6704-2722
Epost e-info@os-engines.co.jp
Hemsida www.os-engines.co.jp

Importör

Registrerad kontaktinformation för ansvarigt företag inom EU.

Namn Minicars Hobby Distribution AB
Adress Annelundsgatan 17

74940 / Enköping
Land Sverige
Telefon 0046-0171143000
Epost info@minicars.se
Hemsida www.minicars.se

Tips & Tricks

Snabb leverans

Alla ordrar som läggs vardagar innan klockan 12.00 packas och skickas redan samma dag.

Hämta i butik

Få din beställning skickad eller hämta ut den i vår butik på Annelundsgatan 17 B i Enköping. 

Frågor?

Ring oss på 0171-305 80 (måndag-fredag 14-18 & lördagar 10-14) eller maila till service@rynos.se.

Fler populära produkter