O.S.SPEED B2103 TYPE-S Off-Road Combo - OS1BN01 | O.S.ENGINES | Rynos.se
Fraktfritt: Över 1300kr | Snabb leverans: 1-3 dagar

Din sida
O.S. SPEED B2103 TYPE-S Off-Road /T2100SC Combo i gruppen Fabrikat / O / O.S.Engines / Motorer Bil/Båt hos Rynosx4 Hobbyshop AB (OS1BN01)
O.S.Engine

O.S. SPEED B2103 TYPE-S Off-Road /T2100SC Combo

Artnr: OS1BN01
4595 kr
 

O.S.SPEED B2103 Type-S - 1/8 Off-Road Racingmotor Combo med T2100SC Avgassystem

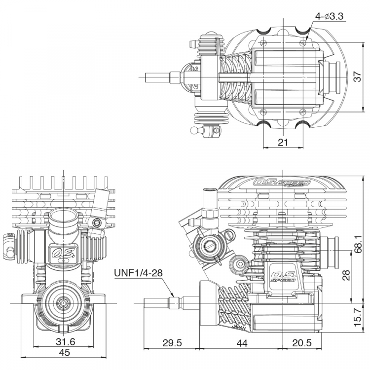
We are proudly introducing our new OS Speed B2103 Type-R and Type-S 3.5cc buggy engines, which not only have been designed newly, but also modified technically for improving their performance over excellent results at past numerous competitions. For corresponding driver’s preference also the course layout, two types B2103 Type-R and Type-S with different characteristics are in lineup. Both of them are long stroke engines φ16.27 mm x 16.80 mm. The most suitable and featured crankcase designed for buggy engine has been engraved with OS SPEED log as you can see in the pic, and the engine utilized a cooling head for the best possible cooling in high ambient temperatures. More than that, both engines come with a rear ceramic bearing and the traditional OS techniques DLC-coated crankshaft coming with tungsten balanced. For enhancing vibration reduction and preventing dust, the inner head also was adopted silicon O-ring. Both engines models are purchased available as engine only or including the T-2100SC exhaust and 85mm M2004SC manifold set.

As for the Type-S engine, the 3—plus-1-port long-stroke power plant offers increased torque in the low to mid RPM range while being easy on fuel consumption. The engine utilizes the same updated crankcase, end cap and DLC-coated crankshaft, but comes with a more efficient 22D carburetor for smoother throttle response and greater mileage. The engine sports a low-profile cooling head for an overall lower centre of gravity.

Specifications:
  • Displacement: 3.49cc
  • Bore: 16.27mm
  • Stroke: 16.80mm
  • Output: 2.64hp @ 34.000r.p.m
  • Practical rpm range: 4.000-42.000
  • Weight: 347g (TYPE-S) / 352g (TYPE-R)

Visa mer
Visa mindre

Egenskaper

Datum produkten utgick ur sortimentet: 2023-10-11
Ursprungsland: JP

Passar till

Filer

Filnamn Språk Publicerad
OS_SPEED_B2103_Type-S_Manual EN 2020-02-21
OS_SPEED_B2103_Type-S_Exploded_Partslist EN 2020-02-21

Tillbehör

Svänghjulsavdragare O.S.SPEED
Lev.artnr:
71415100
478 kr
Köp
Info
Svänghjulsverktyg O.S.SPEED
Lev.artnr:
71415200
318 kr
Köp
Info
Glödstiftsnyckel O.S.SPEED
Lev.artnr:
71520100
318 kr
Köp
Info
O.S. Tryckkammare Set
Lev.artnr:
71550000
245 kr
Köp
Info

Delar

  • Motorer (35)
    O.S. Kolvbult 21XZ-R, 21XR-B Ver.3
    99 kr
    Köp
    Info
    O.S. Bränsleintag 21M (21XZ-R)
    Lev.artnr:
    22082940
    139 kr
    Köp
    Info
    O.S. Nippel Universal No.15
    Lev.artnr:
    22082950
    99 kr
    Köp
    Info
    O.S.SPEED Vevstake B2101, 21ZX-B
    Lev.artnr:
    22425003
    498 kr
    Köp
    Info
    O.S. O-ring (S) 10D, 10F, 1H-3H, 20E, 40B, 40J
    66 kr
    Köp
    Info
    O.S. Dammskydd Set (3/16/18mm) 21B, 20K, 20L
    79 kr
    Köp
    Info
    O.S. Kullager Bakre Keramiskt Speed 21V-Spec
    1095 kr
    Köp
    Info
    O.S. Kullager Främre 21XZ-B, 21XR-B V3
    245 kr
    Köp
    Info
    O.S. Spraybar 20K, 21J
    Lev.artnr:
    23781600
    169 kr
    Köp
    Info
    O.S. Förgasarlås 21E/H/J
    Lev.artnr:
    23981740
    129 kr
    Köp
    Info
    O.S. O-Ring (7B, 20G)
    Lev.artnr:
    24881824
    66 kr
    Köp
    Info
    O.S. Stoppskruv M3x3mm
    Lev.artnr:
    26381501
    66 kr
    Köp
    Info
    O.S. O-Ring (S-3)
    Lev.artnr:
    27881820
    66 kr
    Köp
    Info
    O.S. Förgasar O-Ring 20E, 7D, 60F, 60MC, 70D
    66 kr
    Köp
    Info
    O.S. Shims 0.1/0.15mm R2101
    Lev.artnr:
    2A004160
    99 kr
    Köp
    Info
    O.S. Förgasarslid 22C
    Lev.artnr:
    2A381200
    285 kr
    Köp
    Info
    O.S. Tomgångsskruv 22C
    Lev.artnr:
    2A381620
    99 kr
    Köp
    Info
    O.S. Förgasarisolator 21J3
    Lev.artnr:
    2AN81101
    155 kr
    O.S. Vevhus SPEED B2103
    Lev.artnr:
    2BN01000
    1395 kr
    O.S. Vevaxel SPEED B2103
    Lev.artnr:
    2BN02000
    1849 kr
    Köp
    Info
    O.S. Kolv & Foder SPEED B2103-S
    Lev.artnr:
    2BN03000
    1795 kr
    Köp
    Info
    O.S. Kolv, Foder & Vevstake SPEED B2103-S
    2295 kr
    Köp
    Info
    O.S. Kyltopp SPEED B2103-S
    Lev.artnr:
    2BN04000
    1095 kr
    Köp
    Info
    O.S. Förbränningsrum med O-ring SPEED B2103
    578 kr
    Köp
    Info
    O.S. Baklock SPEED B2103
    Lev.artnr:
    2BN07000
    205 kr
    Köp
    Info
    O.S. Förgasare Komplett 22D(B) utan Insats
    1549 kr
    Köp
    Info
    O.S. Förgasarhus 22D(B)
    Lev.artnr:
    2BN81100
    898 kr
    Köp
    Info
    O.S. Kullink No.6 (Förgasararm)
    Lev.artnr:
    2BN81430
    139 kr
    Köp
    Info
    O.S. Förgasarnål 22D
    Lev.artnr:
    2BN81500
    155 kr
    Köp
    Info
    O.S. Dammskydd Förgasare 22D
    Lev.artnr:
    2BN81520
    99 kr
    Köp
    Info
    O.S. O-Ring P-3
    Lev.artnr:
    46066319
    66 kr
    O.S. Förgasarinsats 6mm (Röd) II
    169 kr
    Köp
    Info
    O.S. Förgasarinsats 6.5mm (Röd) II
    169 kr
    Köp
    Info
  • Avgassystem (8)
    O.S. Avgaspackning 21VG/RG/RZ/VZ, 30VG
    129 kr
    Köp
    Info
    O.S. Avgaspipa T-2060SC WN EFRA2042
    1549 kr
    Köp
    Info
    Avgassystem Komplett T-2060SC WN
    Lev.artnr:
    72106135
    1895 kr
    Köp
    Info
    O.S. Avgaspipa TB02 T-2090SC EFRA2089
    1549 kr
    Köp
    Info
    O.S. Avgassystem Komplett T-2090SC EFRA2089
    1895 kr
    Köp
    Info
    O.S. Avgaskrök Set MB01-75 (M2000SC)
    588 kr
    Köp
    Info
    O.S. Avgaskrök Set MB01-70 (M2003SC)
    588 kr
    Köp
    Info
  • Startutrustning & Bränsle (5)
    O.S. Glödstift Turbo P3
    Lev.artnr:
    71641300
    125 kr
    Köp
    Info
    O.S. Glödstift Turbo P4
    Lev.artnr:
    71641400
    125 kr
    Köp
    Info
    O.S. Glödstift Turbo P5
    Lev.artnr:
    71641500
    139 kr
    Köp
    Info
    O.S. Glödstift Turbo Speed P3
    Lev.artnr:
    71642720
    139 kr
    Köp
    Info
    O.S. Glödstift Turbo Speed P4
    Lev.artnr:
    71642730
    139 kr
    Köp
    Info
  • Skruvar & Muttrar (3)
    O.S. Insexskruv M2.6x7mm (10)
    Lev.artnr:
    79871020
    109 kr
    Köp
    Info
    O.S. Insexskruv M2.6x18mm (10)
    Lev.artnr:
    79871055
    109 kr
    Köp
    Info
    O.S. Insexskruv M3x18mm (10)
    Lev.artnr:
    79871180
    109 kr
    Köp
    Info

Recensioner

Tillverkare

Registrerad kontaktinformation för tillverkaren av produkten.

Namn OS Engines MFG.Co.Ltd
Adress 6-15, 3-Chome Imagawa
Higashisumiyoshi-ku
546-0003 / Osaka
Land Japan
Telefon 0081-6-6704-2722
Epost e-info@os-engines.co.jp
Hemsida www.os-engines.co.jp

Importör

Registrerad kontaktinformation för ansvarigt företag inom EU.

Namn Minicars Hobby Distribution AB
Adress Annelundsgatan 17

74940 / Enköping
Land Sverige
Telefon 0046-0171143000
Epost info@minicars.se
Hemsida www.minicars.se

Tips & Tricks

Snabb leverans

Alla ordrar som läggs vardagar innan klockan 12.00 packas och skickas redan samma dag.

Hämta i butik

Få din beställning skickad eller hämta ut den i vår butik på Annelundsgatan 17 B i Enköping. 

Frågor?

Ring oss på 0171-305 80 (måndag-fredag 14-18 & lördagar 10-14) eller maila till service@rynos.se.

Fler populära produkter