O.S.SPEED 1EK00 - B2105 3.5cc Buggy Racing Engine
The top of the world again!O.S.SPEED B2105 was born after further evolution.
O.S.SPEED's off-road racing engine has undergone further evolution. The B2105, which has evolved into the fifth generation of the B21 series, is designed to secure power to gain an advantage in harsh off-road racing scenes and pursue a driving feel in any situation. change. This allows for smooth rotation. Furthermore, the effect of a lighter outer head also overlaps, and we have succeeded in improving drivability.

The newly designed cylinder/piston uses 3 ports. The port shape has been changed and the air-fuel mixture flow has been reviewed to achieve more useful torque performance.

The newly designed crankshaft has undergone O.S.SPEED's traditional DLC processing and the internal shape has been revised to improve not only power characteristics but also rotational hold.

The outer head uses a new design. Succeeded in improving drivability in any situation by reducing weight.

The crankcase has inherited the well-established B2104.

The cover plate adopted from B2104 uses a specially treated thrust plate to reduce wear caused by interference between the rotating connecting rod and the cover plate, extending engine life.

A combo set with TB02 EFRA2089 pipe + MB01-75 manifold set is also available to maximize the B2105 engine performance (OS1EK01).
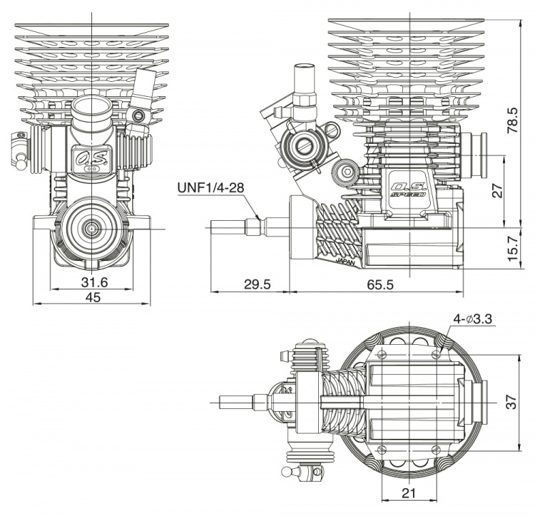
Specs:
- Displacement: 3.49cc
- Bore: 16.27mm
- Stroke: 16.80mm
- Power: 2.68ps / 2.64hp @ 34.000RPM
- RPM range: 4000-42.000
- Weight:348g
Standard accessories:
- Glow plug: T-P3
- Venturi: 6mm & 6.5mm
- Exhaust seal ring
- Dust cap set: 3, 16 & 18mm








































































