O.S.SPEED OS1EY00 - R2106 3.5cc Racing Engine

The O.S.SPEED R2106 is a new factory tuned engine developed for 1/8 on-road racing competition. The new 9-port cylinder liner with re-designed ports for more power. Also for great power feel from low end, we have adopted crankshaft from R21 Euro II and well received ceramic ball bearing from the offroad engines. Newly designed reinforced connecting rod is now stronger to withstand all the harsh on-road racing scenes.

9-port sleeve with re-designed ports with improved flow for more torque and a new piston with 3 oil grooves.

Newly designed reinforced connecting rod is now stronger to withstand all the harsh on-road racing scenes.
*For identification the letter "R" is engraved on the connecting rod.

Outer head is anodized black with O.S.SPEED & R2106 logos laser engraved.

Rear bearing is ceramic ball bearing for better low end feeling.

Adopts crankshaft from R21 Euro II engine for more power and better mid-end feeling.

Based on the 21M carb from R2105, the R2106 carb has a revised needle, slide valve and metering needle for easier adjustment and better low to mid end power delivery.
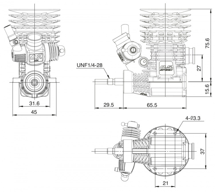
Specs:
- Displacement: 3.49cc
- Bore: 16.08mm
- Stroke: 17.20mm
- Output: 2.80 ps / 2.76 hp @ 35,000RPM
- Practical rpm range: 4.000-45.000
- Engine Weight: 345g
Included accessories:
- Glow plug: T-RP7
- Reducer: φ8.5 (RED)
- Exhaust seal ring
- Dust cap set: 12-30 (φ3、φ16、φ18)


































































































