O.S.SPEED R21GT On-Road Combo - OS1CC01 | O.S.ENGINES | Rynos.se
Fraktfritt: Över 1300kr | Snabb leverans: 1-3 dagar

Din sida
O.S. SPEED R21GT On-Road /T2060SC Combo i gruppen Fabrikat / O / O.S.Engines / Motorer Bil/Båt hos Rynosx4 Hobbyshop AB (OS1CC01)
O.S.Engine

O.S. SPEED R21GT On-Road /T2060SC Combo

Artnr: OS1CC01
4795 kr
 

O.S.SPEED R21GT - 1/8 GT Racingmotor Combo Set med T2060SC Avgassystem

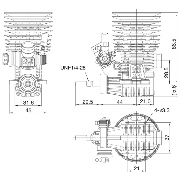
Popular 1 / 8GT touring category as a new category that can realize a dynamic race scene just like a real car. A new engine, O.S.SPEED R21GT, will be launched in anticipation of the IFMAR World Championship in the United States. Performance is improved over the entire area compared to the previous model O.S.SPEED 21XZ-GT. The crankcase is a refined version of the R2101, which has a proven track record in on-road racing. The cylinder / piston adopts 5 ports of scavenging and 3 ports of exhaust that have cleared IFMAR regulations. The newly-designed crankshaft is designed with DLC coating and counterweights, which inherited the tradition of O.S.SPEED, and press-fitted with emphasis on pit-up. A new outer head that emphasizes cooling performance was adopted in consideration of the GT touring race scene. The carburetor is equipped with a newly designed double adjust type 22E (B) GT cab that emphasizes pickup performance that smoothly follows the rise from the corner where GT touring is important. The reducer is also equipped with φ7 in accordance with IFMAR regulations.

Specs:
  • Displacement: 3.49cc
  • Bore: 16.08mm
  • Stroke: 17.2mm
  • Practical r.p.m.Range: 4.000~42.000
  • Output: 2.61hp @ 35,000r.p.m.
  • Weight: 369g

Visa mer
Visa mindre

Egenskaper

Datum produkten utgick ur sortimentet: 2025-04-11
Ursprungsland: JP

Passar till

Filer

Filnamn Språk Publicerad
OS_SPEED_R21GT_Manual EN 2020-02-21
OS_SPEED_R21GT_Exploded_Partslist EN 2020-02-21

Tillbehör

Svänghjulsavdragare O.S.SPEED
Lev.artnr:
71415100
478 kr
Köp
Info
Svänghjulsverktyg O.S.SPEED
Lev.artnr:
71415200
318 kr
Köp
Info
Glödstiftsnyckel O.S.SPEED
Lev.artnr:
71520100
318 kr
Köp
Info
O.S. Tryckkammare Set
Lev.artnr:
71550000
245 kr
Köp
Info

Delar

  • Motorer (35)
    O.S. Kolvbult 21XZ-R, 21XR-B Ver.3
    99 kr
    Köp
    Info
    O.S. Blandnål 21M (21XZ-R)
    Lev.artnr:
    22082600
    169 kr
    O.S. Bränsleintag 21M (21XZ-R)
    Lev.artnr:
    22082940
    139 kr
    Köp
    Info
    O.S. Nippel Universal No.15
    Lev.artnr:
    22082950
    99 kr
    Köp
    Info
    O.S. O-ring (S) 10D, 10F, 1H-3H, 20E, 40B, 40J
    66 kr
    Köp
    Info
    O.S. Tomgångsskruv 21J
    Lev.artnr:
    22848160
    99 kr
    Köp
    Info
    O.S. Förgasarslid 21J
    Lev.artnr:
    22848210
    285 kr
    Köp
    Info
    Dammskydd Set O.S.SPEED (3/16/18mm)
    99 kr
    Köp
    Info
    O.S. Packning Baklock 21XZ, 30VG, 35AX
    99 kr
    Köp
    Info
    O.S. Kullager Bakre 21V-Spec, 28XZ, 30VG
    578 kr
    Köp
    Info
    O.S. Kullager Främre 21VZ/VG, 30VG, 28XZ
    245 kr
    Köp
    Info
    O.S. Vevstake SPEED R2102, 21XZ-GT, 21RX-B V3
    498 kr
    Köp
    Info
    O.S. Förgasarlås 21E/H/J
    Lev.artnr:
    23981740
    129 kr
    Köp
    Info
    O.S. O-Ring (7B, 20G)
    Lev.artnr:
    24881824
    66 kr
    Köp
    Info
    O.S. Stoppskruv M3x3mm
    Lev.artnr:
    26381501
    66 kr
    Köp
    Info
    O.S. O-Ring (S-3)
    Lev.artnr:
    27881820
    66 kr
    Köp
    Info
    O.S. Förgasar O-Ring 20E, 7D, 60F, 60MC, 70D
    66 kr
    Köp
    Info
    O.S.SPEED Förbränningsrum R2101
    Lev.artnr:
    2A004100
    528 kr
    Köp
    Info
    O.S. Shims 0.1/0.15mm R2101
    Lev.artnr:
    2A004160
    99 kr
    Köp
    Info
    O.S. Baklock SPEED R2101
    Lev.artnr:
    2A007000
    195 kr
    Köp
    Info
    O.S. Förgasarisolator 21J3
    Lev.artnr:
    2AN81101
    155 kr
    O.S. Kolvbultklips SPEED 21XR-B V3 (6)
    99 kr
    Köp
    Info
    O.S. Kullink No.6 (Förgasararm)
    Lev.artnr:
    2BN81430
    139 kr
    Köp
    Info
    O.S. Dammskydd Förgasare 22D
    Lev.artnr:
    2BN81520
    99 kr
    Köp
    Info
    O.S. Förgasarhus 22E(B)
    Lev.artnr:
    2BP81100
    898 kr
    Köp
    Info
    O.S.SPEED Vevhus R21GT
    Lev.artnr:
    2CC01000
    1395 kr
    Köp
    Info
    O.S.SPEED Vevaxel R21GT
    Lev.artnr:
    2CC02000
    1849 kr
    Köp
    Info
    Kolv & Foder O.S.SPEED R21GT
    Lev.artnr:
    2CC03000
    1795 kr
    Köp
    Info
    Kolv, Foder & Vevstake O.S.SPEED R21GT
    2295 kr
    Köp
    Info
    O.S.SPEED Kyltopp R21GT
    Lev.artnr:
    2CC04000
    1095 kr
    Köp
    Info
    O.S. Förgasare Komplett 22E(B)GT utan Insats
    1595 kr
    Köp
    Info
    O.S. Förgasarnål 22E(B)GT
    Lev.artnr:
    2CC81500
    155 kr
    Köp
    Info
    O.S. O-Ring P-3
    Lev.artnr:
    46066319
    66 kr
    O.S. Förgasarinsats Alu 7mm (Röd)
    169 kr
    Köp
    Info
  • Avgassystem (8)
    Avgaspackning O.S.SPEED 21 (10)
    Lev.artnr:
    22826145
    285 kr
    Köp
    Info
    O.S. Avgaspipa T-2060SC WN EFRA2042
    1549 kr
    Köp
    Info
    Avgassystem Komplett T-2060SC WN
    Lev.artnr:
    72106135
    1895 kr
    Köp
    Info
    O.S. Avgaspipa TB02 T-2090SC EFRA2089
    1549 kr
    Köp
    Info
    O.S. Avgassystem Komplett T-2090SC EFRA2089
    1895 kr
    Köp
    Info
    O.S. Avgaskrök Set MB01-75 (M2000SC)
    588 kr
    Köp
    Info
    O.S. Avgaskrök Set MB01-70 (M2003SC)
    588 kr
    Köp
    Info
  • Startutrustning & Bränsle (5)
    O.S. Glödstift Turbo RP6
    Lev.artnr:
    71642060
    169 kr
    Köp
    Info
    O.S. Glödstift Turbo RP7
    Lev.artnr:
    71642070
    169 kr
    Köp
    Info
    O.S. Glödstift Turbo RP8
    Lev.artnr:
    71642080
    185 kr
    Köp
    Info
    O.S. Glödstift Turbo Speed RP6
    Lev.artnr:
    71642740
    185 kr
    Köp
    Info
    O.S. Glödstift Turbo Speed RP7
    Lev.artnr:
    71642750
    185 kr
    Köp
    Info
  • Skruvar & Muttrar (3)
    O.S. Insexskruv M2.6x7mm (10)
    Lev.artnr:
    79871020
    109 kr
    Köp
    Info
    O.S. Insexskruv M2.6x18mm (10)
    Lev.artnr:
    79871055
    109 kr
    Köp
    Info
    O.S. Insexskruv M3x18mm (10)
    Lev.artnr:
    79871180
    109 kr
    Köp
    Info

Recensioner

Tillverkare

Registrerad kontaktinformation för tillverkaren av produkten.

Namn OS Engines MFG.Co.Ltd
Adress 6-15, 3-Chome Imagawa
Higashisumiyoshi-ku
546-0003 / Osaka
Land Japan
Telefon 0081-6-6704-2722
Epost e-info@os-engines.co.jp
Hemsida www.os-engines.co.jp

Importör

Registrerad kontaktinformation för ansvarigt företag inom EU.

Namn Minicars Hobby Distribution AB
Adress Annelundsgatan 17

74940 / Enköping
Land Sverige
Telefon 0046-0171143000
Epost info@minicars.se
Hemsida www.minicars.se

Tips & Tricks

Snabb leverans

Alla ordrar som läggs vardagar innan klockan 12.00 packas och skickas redan samma dag.

Hämta i butik

Få din beställning skickad eller hämta ut den i vår butik på Annelundsgatan 17 B i Enköping. 

Frågor?

Ring oss på 0171-305 80 (måndag-fredag 14-18 & lördagar 10-14) eller maila till service@rynos.se.

Fler populära produkter