O.S. MAX-R21 - Racing Motor
Most of the parts have been newly designed based on the O.S.SPEED R2102, which is a high-end model, to achieve both the ease of handling and the high performance required of the 21 Racing Basic Engine. An affordable price is one of the attractions.- The perfect power plant for rookies and club racers
- Newly developed crankshaft and piston / liner with the capability to upgrade later to a spec-class performer
- RP7 Turbo glow plug
- 8.5mm carb reducer
- Exhaust seal ring
- Dust cap set
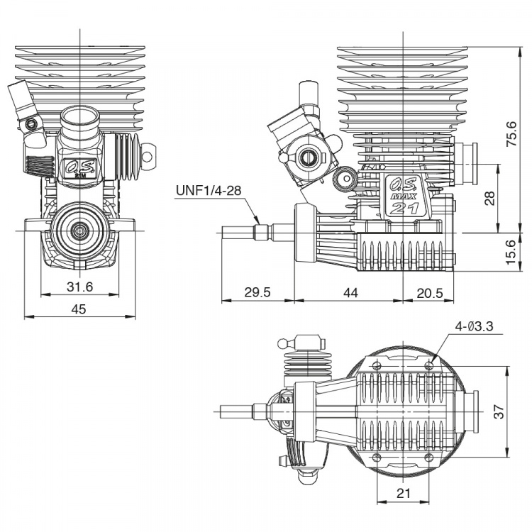
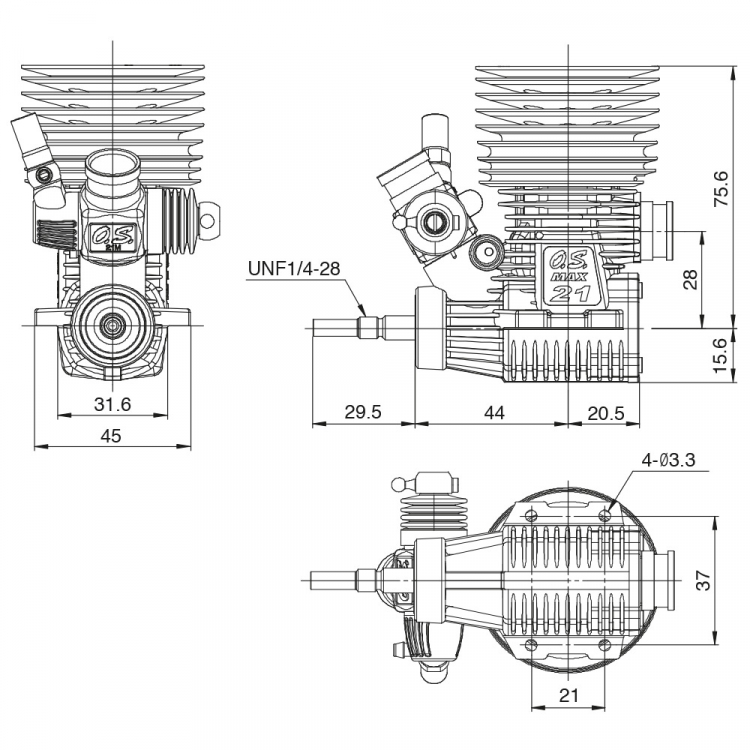
Specs:
- Displacement: 3.49cc
- Output: 2.71hp @ 32,000r.p.m.
- Bore: 16.08mm
- Stroke: 17.2mm
- Practical r.p.m. Range: 3.000~41.500
- Weight: 350g






































































