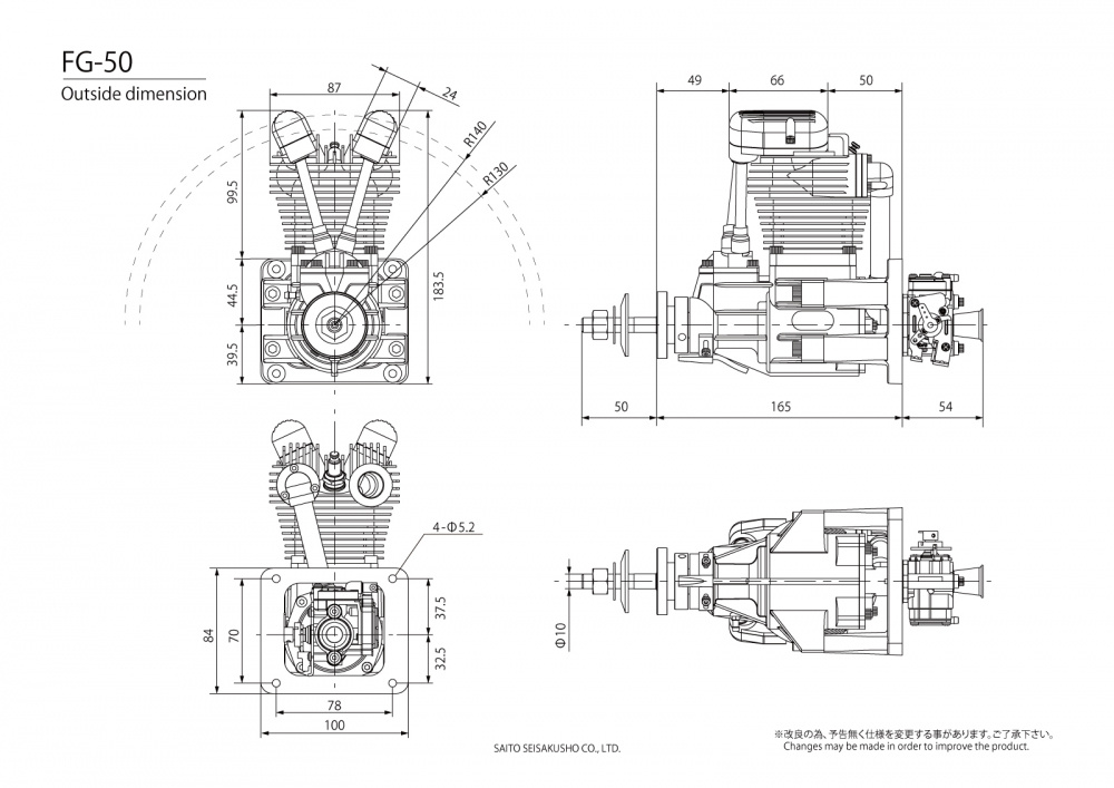
Saito SAFG-50 - FG-50 50.2cc 4-Stroke Gasoline Engine

Specs:
- Displacement: 50.2cc
- Bore: 43.6mm
- Stroke: 33.6mm
- Engine weight: Approx. 2253g (including engine mount)
- Ignition weight: Approx. 125g
- RPM range: 1500~7000
- Prop: 20"×12"~22"×8"
Notes:
- Includes aluminium engine mount & ignition system
- USE the attached engine mount otherwise it is possible to cause malfunction / damage to the engine
Thrust info:
- Engine: FG-50
- Propeller: 22x8
- Static Thrust: 8.5kg
- Max weight for hover capability: 8.5kg
- Rec. Max weight for sportsman flying: 12.14kg
- Max weight for possible take-off: 17kg






















































