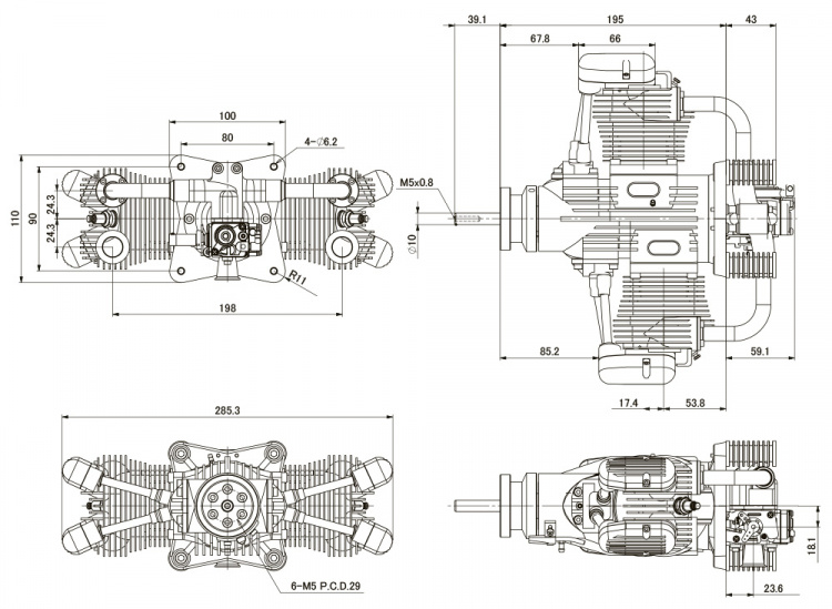
Saito FG-120TS - Twin Cylinder 121.6cc 4-Stroke Boxer Gas Engine
With it's displacement of 121.6cc the Saito FG-120TS is a powerful engine that is ideal for aerobatic models in the 70cc class as well as scale/semi-scale models in the 70-100cc class.Specs:
- Displacement: 121.6cc
- Bore: 48.0mm (x2)
- Stroke: 33.6mm (x2)
- Engine Weight: 4030g
- Silencer Weight: 180g
- Ignition Weight: 160g
- Practical RPM range: 1000–6000
- Max on Ground RPM: Approx. 5500-6000
- Rec. Propeller size: 27×12" - 28×12"
- Applications: Airplane 70cc class/size, Scale Airplanes: 70-100cc class/size
- Rec. Ignition Battery: 6-12V, greater than 1500mA (2-3S Lipo or LiFe 20-25C)
- Plug: CM-6
- Engine mount included
- Rec. oil percentage in the gasoline fuel for run-in: 15:1 (6.25%)
- Rec. oil percentage in the gasoline fuel for a fully run-in engine: 15:1 to 20:1 (6.25-4.8%)
Fuel:
- The fuel is a mixture of regular gasoline or high-octane gasoline and high-quality 2-stroke engine oil
- Example of oil recommendations:
- Klotz Original Techniplate KL200/KL205
- Deluxe Materials PowerModel 2T-S
- ENEOS RACING SPEC PRO-2T (SAITO STANDARD) etc.
- If such oils are not available in your country, then please ask the official SAITO distributor in your country for an alternative.
- Be sure to use the mixture: gasoline : oil = 15-20 : 1 - by volume ratio. (Example 1000ml of gasoline should be mixed with more than 50ml of oil).
- During the break-in process, use 15:1 (6.25%) mixed fuel to ensure the best lubrication for initial running.
- Any damage caused by the fuel used, in which the oil ratio is lower than 20:1 (4.8%) will not be covered by warranty.
- Do not use gasoline containing ethanol. It may cause not only power loss but also corrosion inside the engine.
Thrust info:
- Engine: FG-120TS
- Propeller: 28x12
- Static Thrust: 10kg
- Max weight for hover capability: 10kg
- Rec. Max weight for sportsman flying: 14.28kg
- Max weight for possible take-off: 20kg










































