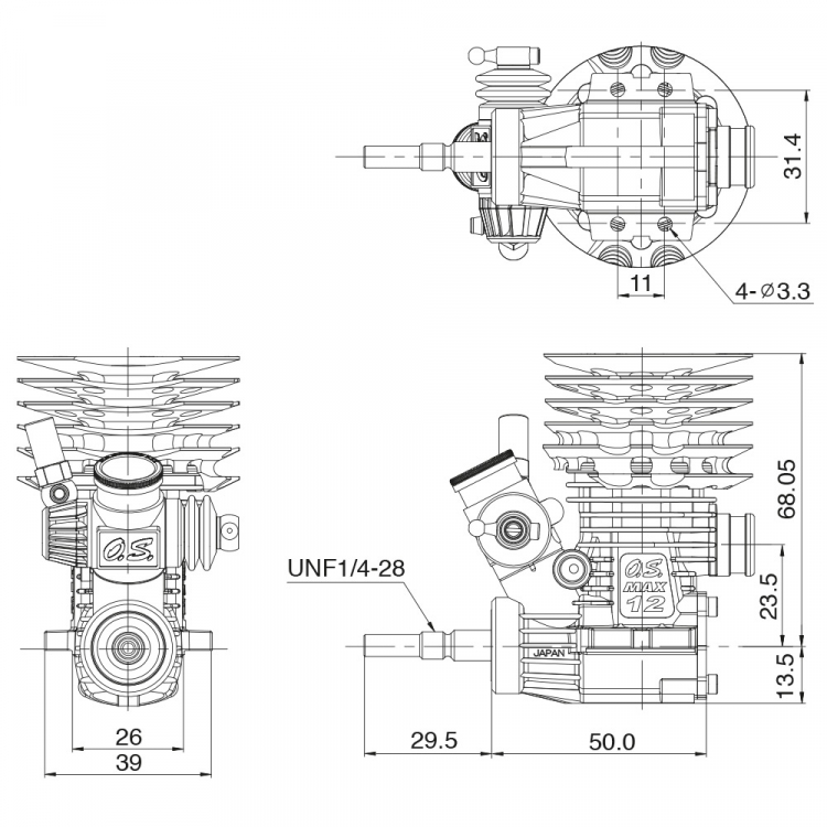
O.S.SPEED T1204 2.1cc Racingmotor
This is the successor of T1203 which is the World Champion engine in 2018. T1204 has more toque in low-middle range with better performance. Two tungsten weights are embedded in the counterweight of newly designed crankshaft, which helps powerful performance in middle range. The cooling head with wider fin pitch improves cooling efficiency.Specifications:
- Displacement: 2.1cc
- Bore: 13.67mm
- Stroke: 14.30mm
- Output: 1.73hp @ 35.000RPM
- Practical RPM Range: 5.000〜45.000
- Weight: 233g
- Standard accessories: Glow plug RP6 /Dust cap set/Exhaust seal ring
































































