O.S.SPEED R21GT-II 1/8 GT Racing Engine
A high-performance GT engine directly descended from O.S.SPEED - Evolved to the next generation!!While inheriting the smooth feeling and good fuel efficiency of the previous model O.S.SPEED R21GT, which was well received in the European market, the home of GT cars, the power feeling in the medium and low speed ranges has been improved by reviewing the counterbalance of the crankshaft. Improved. In addition, the newly designed inner head improves idling performance, and an O-ring is used to reduce vibration and improve dust resistance. The outer head has been made lighter, and has evolved into the O.S.SPEED R21GTII with attention to detail. A combo set with TB01 (EFRA2042) tuned silencer and MB01-70 manifold exhaust system is also available.

The crankshaft uses two tungsten counterweights. We have optimized the mass balance by reviewing the detailed dimensions.

The inner head is newly designed. Improved low and medium speed feeling and idling performance. An O-ring is also used to reduce vibration and improve dust resistance.

The outer head is also newly designed. Succeeded in weight reduction compared to conventional products. The outer circumference is processed to create a lacy atmosphere.

Equipped with 5 scavenging ports and 3 exhaust ports to meet IFMAR regulations.

Equipped with a double-adjust type 22E(B) GT carb. The reducer is a newly designed 7.0MM (RED) AL2.

The combo set also includes a TB01 EFRA2042 (T-2060SC) muffler + MB01-70 (M2003SC) manifold.
Specs:
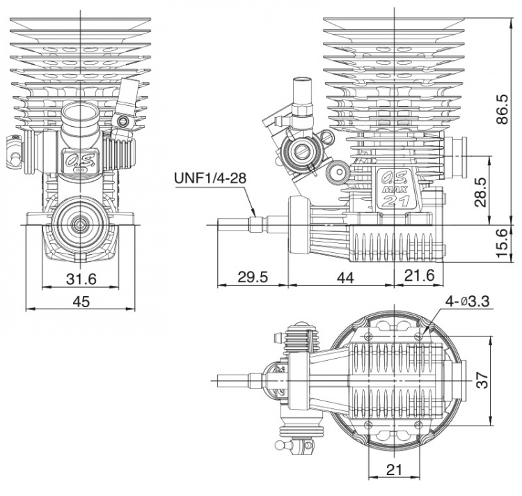
- Stroke Volume: 3.49cc
- Bore: 16.08mm
- Stroke: 17.20mm
- Output: 2.65 ps / 2.61 hp @ 34.000RPM
- Practical RPM: 4.000-42.000
- Weight: 362g
Standard accessories:
- Glow plug: RP6
- Reducer venturi: 7.0mm (RED) AL2
- Exhaust seal ring
- Dust cap set: φ3, φ16 & φ18mm















































































