O.S.SPEED R2105 Competition On-Road 3.5cc Racing Engine
Introducing the O.S.SPEED R21 series, the pinnacle of the engine car category!The O.S. SPEED R21 series won the previous World Championships held in the United States. The "R2105", most of the parts has been newly designed, aiming for consecutive victories at the world championship to be held in Japan this year.
To increase torque on high-grip track surfaces, a newly designed 9-port sleeve is adopted. O.S. SPEED's traditional DLC coated crankshaft delivers linear power from low to top by changing the counter balance. The outer head has been mirror finish and by clear coat from the conventional color to a silver head base has been adopted. By adopting a thrust plate made out of steel, wear due to interference between the connecting rod and the cover plate during rotation is reduced and engine life is improved.
Adopting the latest design to most part of the engine, it is finished with content suitable for the flagship of the O.S. SPEED on-road engines!

To increase torque, the sleeve adopts a newly designed 9 ports.

By redesigning of the crankshaft’s counter weight, power delivery from low to top is improved.

Polished finish is applied to the silver head base from the conventional color is adopted.

A new mold was adopted for the crankcase, and the O.S. SPEED logo was applied to the exterior design.

Based on 21M, which already had a good reputation, by changing the needle O-ring from 1 piece to 2 pieces to prevent the needle adjustment from changing.

By adopting a thrust plate made out of steel, wear due to friction between the connecting rod and the cover plate during rotation is reduced and engine durability is improved.
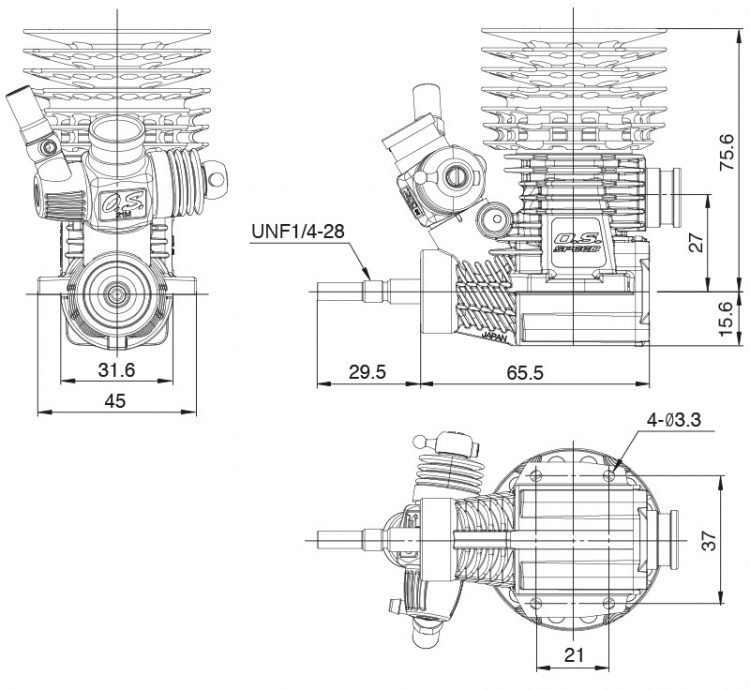
Specs:
- Displacement: 3.49cc
- Bore: 16.08mm
- Stroke: 17.20mm
- Output: 2.80 ps / 2.76 hp @35,000RPM
- Practical RPM range: 4.000-45.000
- Engine weight: 345g
Includes:
- Reducer (8.5mm RED)
- T-RP7 glow plug
- Exhaust seal ring (1pc)
- Dust cap set (3mm, 16mm, 18mm 1pc each)