O.S.Engine OS3A010 - GF30II 4-stroke Gasoline Engine
This engine is designed for experienced fliers - beginners and newcomers should not use this engine. A modified new carburettor and a new pump PD-09 ensure the best performance of GF30II. The normal rotation direction of the engine is counterclockwise facing to the propeller.It offers broad power characteristics suitable for sport flight as well as acrobatic flight.
An ignitor IG-07 is equipped with a new plug cap, whose angle can be adjusted 360 degrees freely. It is easy to attach to and detach from a spark plug. To avoid accidental engine start, the ignitor controlled by a micro-computer does not spark at very low speed rotation for safety reason such as moving a propeller by hand. The new F-6040 silencer is supplied with the engine. It develops very efficient silencing effect.
Fuel: O.S. recommend KLOTZ ModelLube - 25:1 gasoline to oil mix during run-in and 50:1 ratio after the run-in period.
Specs:
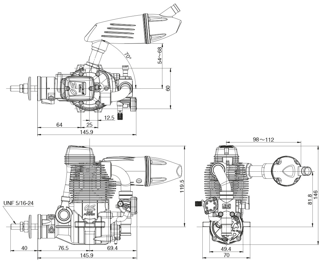
- Displacement: 29.94cc
- Bore: 38.0mm
- Stroke: 26.4mm
- Output: 2.8ps/2.76hp @ 9,000RPM
- Practical RPM range: 1800-9000
- Engine Weight: 1010g
- Muffler Weight: 113g
- Ignition Module Weight: 95g
Included:
- Spark Plug with 1/4-32 threads
- Ignition module Assembly (IG-07)
- F-6040 Silencer Assembly






























































































