Futaba HPS-CD701 - 1/10 Drift-Car Servo
The HPS-CD700 drift servo has been redesigned with UR mode! High-performance brushless specification that achieves amazing torque and low power consumption. The HPS-CD701 is a low-profile servo that supports "UR mode".Features:
- Replacing the HPS-CD700 servo
- Compatible with UR/SR modes
- S.BUS system
- Brushless HPS motor
- Metal 1-3 gears
- High-strength metal final gear
- Aluminum case
- Black cord
Specs:
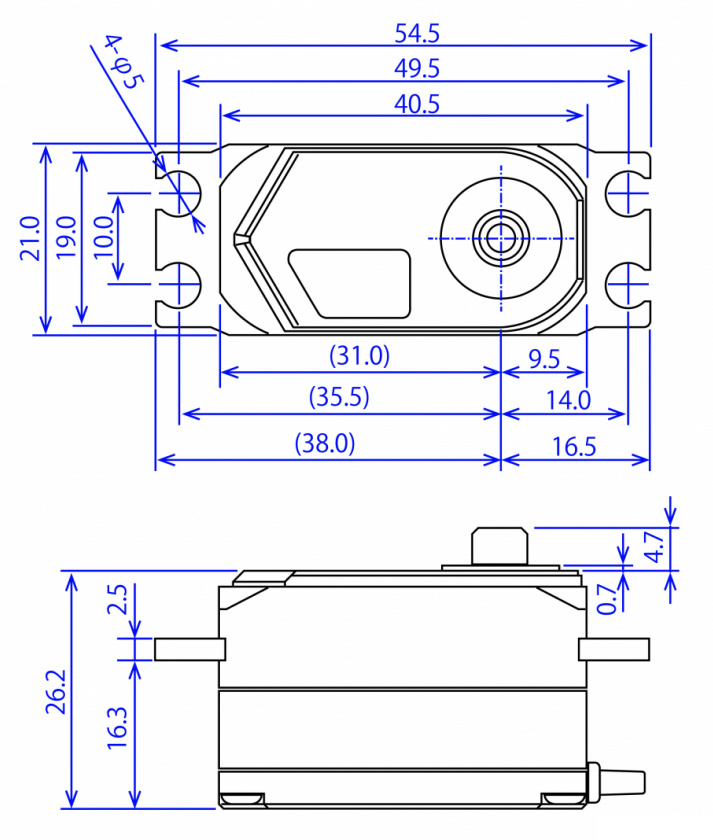
- Size: 40.5x21x26.2mm
- Weight: 53g
- Speed @ 6V: 0.055s/60°
- Speed @ 7.4V: 0.045s/60°
- Torque @ 6V: 14kg/cm
- Torque @ 7.4V: 17kg/cm





















