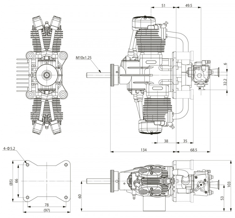
Saito® FG-61TS - 60.9cc Four Stroke Twin Gasoline Engine
Specs:
- Displacement: 60.9 cc
- Bore: 37.2 mm (x2)
- Stroke: 28.0 mm (x2)
- Carb Type: Walbro/Saito
- Crankshaft Threads: M10 x 1.25 mm
- Crankshaft Type: Threaded
- Cylinder Type: Ringed, Chromed Aluminum
- Cylinders: Twin
- Engine (Only) Weight: 2090 g
- Ignition Weight: 170 g
- Muffler Threads: M14 x 2 mm
- Muffler Type: Flexible tube (included)
- Muffler Weight: 100 g
- Oil Type & Content: 15-20:1 gas/oil ratio
- Plug Type: CM-6 spark plug
- Prop Range: 21x10 - 23x11
- RPM Range: 1.500 - 7.400
- Max on ground RPM: 6.200-7.400
- Recommended Fuel: 87-93 Octane
- Starter Type: Bump
- Total Weight: 2360 g
- Type: 4-stroke Airplane
Recommended gasoline fuel oil:
- Klotz Original TechniPlate®
- Klotz R/C Modelube®
Thrust info:
- Engine: FG-61TS
- Propeller: 22x10
- Static Thrust: 10kg
- Max weight for hover capability: 10kg
- Rec. Max weight for sportsman flying: 14.28kg
- Max weight for possible take-off: 20kg
























































